如何绘制电路图
电路图
电路图是一个电路的简化传统的图形表示,展示出了电气元件如何连接在一起。工程师和电工通常使用电路图来解释部件和电气电路,这对于设计,建造和维护电气和电子设备十分重要。
电路图用国际标准符号和图形化的方式展示电路和元件。每一个符号的目的都是代表电路中的器件。亿图提供大量预先绘制好的矢量电路图符号,包括电池,蓄电池,光源,电阻,开关,灯具,电机,钟,蜂鸣器,继电器,电容器等。
以下是常用的电路图符号
电极:电极符号代表电能供应。一个电极通常被称为电池,但是严格来说一组电池包括2个或者2个以上电极。它由一长一短两条平行线表示。
电池: 一组电池由多个电极组成。较大的末端(在左边)是正极(+)。由几对一长一短的平行线表示。
电线: 将电流从电路的一部分传送到另一部分。是两个元件之间的连接线。
电阻器: 电阻器用于阻碍电流,由之字形符号表示。
开关: 通断开关在关闭(接通)状态时允许电流流过。开关的符号通常是一条直线的一部分断开,向上倾斜。
电流表: 电流表用于测量电流,由圆圈中一个字母A来表示。
电压计: 电压计用于测量电压,由圆圈中一个字母V表示。
马达: 将电能转换为动能的一种换能器。马达由圆圈中一个字母M表示。
电灯: 将电能转化为灯的一种转换器。
除了以上列举的符号,亿图里嵌入了大量电路符号。用户可以直接拖放形状绘制电路图,不需要绘画技巧,省时省力又省心。
从电路与逻辑图模板开始
在亿图中,电路与逻辑模板帮助你使用预定义符号轻松地绘制电路图,包括电子电路图,逻辑电路图和其他技术图表。启动亿图后,在工程类中,双击电路与逻辑模板的图标,进入绘图页面。
如何用亿图绘制电路图
亿图帮你轻松快捷地设计电路图。
步骤:
1. 在文件菜单下,指向新建,选择工程,然后双击电路与逻辑图标。
2. 从内置的符号库中,拖放需要的符号到绘图页面。
3.
添加线路形状来连接符号。
4. 双击形状键入文本。

打印: 完成一个电路图之后,打印和分享很简单。在文件菜单,点击打印,然后设置打印选项。改变打印选项之后你可以实时预览。
导出:亿图支持导出文件成多样格式,包括微软程序格式,PDF和图形格式等。在文件菜单,选择导出和发送。
专业电路图软件特色
- 内置的主题,支持一键修改颜色,边框和文字。不需专业知识也能绘制美观的电路图。
- 亿图的文件都是矢量格式,分辨率高,可编辑。
- 一套先进的绘图工具支持自动编辑格式。你可以轻松地排列,旋转,对齐,组合形状。
- 亿图提供自由的自定义空间,你可以调整线宽,线条颜色,线条风格,字体,文字颜色等等。
- 插入相片,图片,编辑文本字段也很容易。
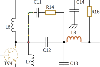
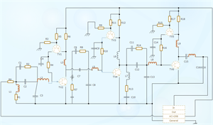
电路图